特点与用途/Features & Applications
合金钢或不锈钢材料
精度高、抗偏载能力强
采用双剪切梁结构,配以独特的浮动承力机构,容易安装,可自动复位
经良好的防潮密封措施,适应恶劣的工作环境
适用于各种电子汽车衡、轨道衡、料斗秤及各种工业称重系统
Made of alloy steel or stainless steel.
High accuracy, high side load tolerance and shock resistance
Unique floating bearing structure, self-resetting and certering, Easy to install
Moistureproof sealed, ideal for hostile environment
Mainly used for electronic truck scales, electronic railroad scales, hopper scales and other industrial weighing systems.
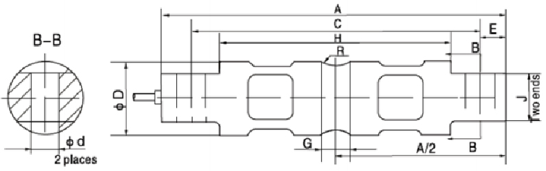
安装尺寸/Mounting Dimension


参数 | Specifications | 技术指标/Technique |
额定容量 | Capacity | 5-10,20,30-60,100-200Klb |
精度等级 | Accuracy class | C3 |
输出灵敏度 | Rated output | 3.0±0.180mV/V |
零点输出 | Zero balance | ±1.00%F.S. |
最大检定分度数 | Maximum number of verification intervals | 10000 |
最小静载值 | Minimum dead load | 0%Emax |
非线性 | Non-linearity | ±0.02%F.S. |
滞后 | Hysteresis | ±0.02%F.S. |
重复性 | Repeatability | ±0.02%F.S. |
蠕变(30min) | Creep(30min) | 0.016%F.S. |
温度灵敏度漂移 | Temp.effect on sensitivity | ≤0.001%F.S./10℃ |
零点温度漂移 | Temp.effect on zero | ≤0.015%F.S./10℃ |
输入电阻 | Input impedance | 880±80Ω |
输出电阻 | Output impedance | 700±7Ω |
绝缘电阻 | Insulation | ≥5000MΩ/100VDC |
激励电压 | Recommended excitation | 5~12V |
最大激励电压 | Maximum excitation | 15V |
温度补偿范围 | Compensated temp range | -10~50℃ |
工作温度范围 | Operation temp range | -35~65℃ |
安全超载 | Safe overload | 150%F.S. |
极限超载 | Ultimate overload | 300%F.S. |
电缆线尺寸 | Cable size | Φ5×7000mm |
材料 | Material | Stainless Steel |
防护等级 | IP Class | IP67 |
配线图/Wiring Code
