特点与用途/Features & Applications
不锈钢材料或合金钢,胶封或焊封 ,压向承载
单剪切梁结构,精度高、抗偏载能力强
容易安装, IP68
适用于电子秤、地磅、汽检线、料斗秤、皮带秤及工业称重系统
Made of stainless steel or alloy steel, potted by adhesive, oil-proof, waterproof, anti-corrosive gas and medium making it suitable for all kinds of environments.
Single shear beam, High accuracy, high side load tolerance
Easy to install, IP68 protection
Mainly used for electronic scales, automobile testing facilities, hopper scales, belt scales and industrial weighing systems
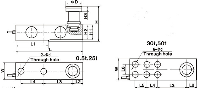
安装尺寸/Mounting Dimension


参数 | Specifications | 技术指标/Technique |
额定容量 | Capacity(t) | 1,2,2.5,3,5,10,15,20,25,30 |
精度等级 | Accuracy class | C2/C3 |
输出灵敏度 | Rated output | 2.0±0.02 |
零点输出 | Zero balance | ±1.5%F.S. |
最大检定分度数(n max) | Maximum number of verification intervals | 2000 / 3000 |
最小检定分度值(v min) | Minimum load cell verification interval | 5000 / 10000 |
综合误差 | Combined error | ±0.03%F.S. / ±0.02%F.S. |
蠕变(30min) | Creep(30min) | ≤±0.024 / ±0.016%F.S. |
温度灵敏度漂移 | Temp.effect on output | ≤±0.017 /0.011%F.S./10℃ |
零点温度漂移 | Temp.effect on zero | ≤±0.023 /0.015%F.S./10℃ |
输入电阻 | Input impedance | 350±3.5Ω |
输出电阻 | Output impedance | 352±3Ω |
绝缘电阻 | Insulation | ≥5000MΩ/100VDC |
激励电压 | Recommended excitation | 5~12V |
最大激励电压 | Maximum excitation | 18V |
温度补偿范围 | Compensated temp range | -10~40℃ |
工作温度范围 | Operation temp range | -35~65℃ |
安全超载 | Safe overload | 150%F.S. |
极限超载 | Ultimate overload | 300%F.S. |
电缆线尺寸 | Cable size | Φ6.2×6000mm |
材料 | Material | Stainless Steel/Alloy Steel |
防护等级 | IP Class | IP68 |
配线图/Wiring Code
