特点与用途/Features & Applications
AD采集实时频率120次/秒,高抗干扰性
不锈钢外壳,IP66防护等级可驱动4只应变式传感器
标定软件标配,可选带管理功能支持定制通讯协议开发
丰富的输出接口:RS232,RS485支持Modbus-RTU协议最大支持63个节点地址
产品应用:各种静态称重控制系统,例如:数字平台秤、搅拌站混配料称重显示控制系统,非防爆化工,医药反应釜称重控制系统各种低速测力控制系统,例如:静 压机,汽车行业过程力控制场合
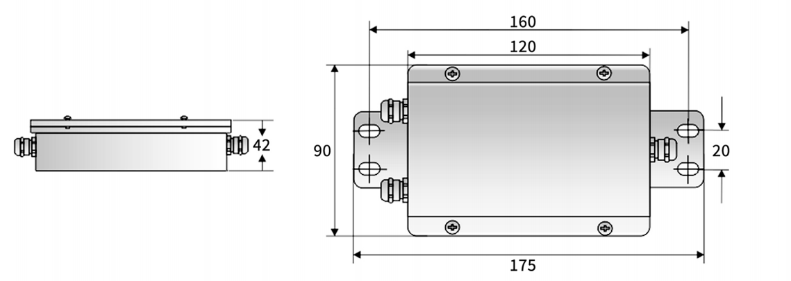
安装尺寸/Mounting Dimension

参数/Specifications 技术指标/Technique
| A/D更新速率A/D Conversion Rate | A/D转换率:120Hz |
| 传感器类型Load Cell Type | 电阻应变式测力/称重传感器 |
| 传感器数量Input Load | 1~4个350Ω的传感器(灵敏度为2或3mV/V) |
| 传感器激励电压Load Cell Supply | 5VDC |
| 最小输入灵敏度Input Sensitivity | 0.6μV/d |
| 通讯接口Com.Port | 一个RS232,9600/19200波特率;一个RS485,9600/19200波特率 |
| 通讯协议Com. Protocol | MODBUS-RTU |
| 供电电源Power Supply | +24VDC(±10%),功率<3W |
| 使用环境 Operation Temp Range | 温度:-10℃~40°℃(14F~104°F);相对湿度10%~95%,不冷凝 |
| 尺寸Dimensions(LXWXH) | 175mmX90mmx42mm |
| 外壳材料Housing Material | SUS304不锈钢外壳 |
| 安全保护IP Class | IP66 |