特点与用途/Features & Applications
可支持4路独立通道
输入范围宽,0.4~6mV/V能配接大部分应变式传感器
响应频率高,长期稳定性好,综合精可达±0.1%FS模拟量输出方式多种可选
具备标准信号外调零、外调增益功能,输入过压保护,输出短路保护等特点
补偿调节采用高稳定性的多圈电位器,防止感应雷和浪涌信号对传感器的损坏
产品应用:多通道数据变送器主要应用于自动化设备中多路力值或重量测量反馈输出系统
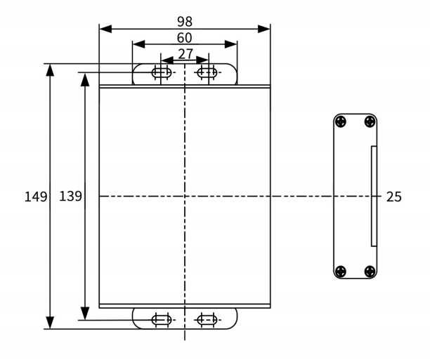
安装尺寸/Mounting Dimension

参数/Specifications 技术指标/Technique
| 综合精度 | Combined Accuracy | 0.1%F.S. |
| A/D更新速率 | A/D Conversion Rate | 100Hz/5000Hz(可选) |
| 传感器数量 | Input Load | 每个通道驱动4个350欧的桥式传感器 |
| 传感器激励电压 | Load Cell Supply | 5VDC±2%,100mA |
| 信号输入范围 | Signal Input Range | 0.4~6mV/V |
| 模拟量输出 | Analog Output | 0~±5V、0~±10V、0~20mA、4~20mA |
| 供电电源 | Power Supply | 18-30VDC |
| 使用环境 | Operation Temp Range | 温度:-30℃~60℃(-22F~140°F);相对湿度10%~95%,不冷凝 |
| 尺寸 | Dimensions(LXWXH) | 149mmx98mmX25mm |
| 外壳材料 | Housing Material | 铝合金外壳 |
| 通道数量 | Channel | 4通道 |