特点与用途/Features & Applications
内置不锈钢密封焊接传感器,防护等级IP68,可在各种恶劣环境中使用
由球形连接件连接,可始终保持模块的垂直称重状态
内部配有支撑螺栓,可防止设备倾覆,安装简单快速
维护方便,可节约设备停机维护时间,实现降本增效
产品应用:适用于化工、医药、食品等行业的中小称重反应釜的配料称重控制
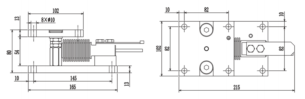
安装尺寸/Mounting Dimension

参数/Specifications 技术指标/Technique
| 配套传感器 | Load Cell | WL-129 |
| 额定量程 | Capacity | 5/10/20/30/50/100/200/300/500kg |
| 额定输出 | Rated Output | 2.0±0.05mV/V |
| 综合精度 | Combined Accuracy | 0.018%F.S. |
| 产品材质 | Material of Construction | 不锈钢(Stainless steel) |
| 电缆规格 | Cable | φ5.4X3000mm |
| 安全过载 | Safe Overload | 150%F.S. |
| 工作温度 | Operation Temp Range | -30~70℃ |
| 防护等级 | IP Class | IP68 |