特点与用途/Features & Applications
单点式设计,铝合金材料
精度高,抗偏载能力强
长期稳定性好
产品应用:主要用于食品、包装和化学工业以及农业等领域的计量称重,如皮带秤、地磅以及灌装等生产系统
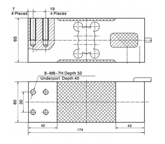
安装尺寸/Mounting Dimension

参数/Specifications 技术指标/Technique
| 额定容量 | Capacity | 100/200/300/500kg |
| 输出灵敏度 | Rated output | 2.0±0.05mV/V |
| 零点输出 | Zero balance | ±0.02mV/V |
| 非线性 | Non-linearity | 0.017%F.S. |
| 滞后 | Hysteresis | 0.017%F.S. |
| 重复性 | Repeatability | 0.017%F.S. |
| 蠕变(30min) | Creep(30min) | 0.02%F.S. |
| 温度灵敏度漂移 | Temp.effect on output | 0.017%F.S./10℃ |
| 零点温度漂移 | Temp.effect on zero | 0.017%F.S./10℃ |
| 输入电阻 | Input impedance | 405±15 |
| 输出电阻 | Output impedance | 350±3 |
| 绝缘电阻 | Insulation | ≥5000MΩ/100VDC |
| 激励电压 | Recommended excitation | 5~15V |
| 最大激励电压 | Maximum excitation | 15V |
| 温度补偿范围 | Compensated temp range | -10~40℃ |
| 工作温度范围 | Operation temp range | -30~70℃ |
| 安全超载 | Safe overload | 150%F.S. |
| 极限超载 | Ultimate overload | 200%F.S. |
| 电缆线尺寸 | Cable size | φ5×3000mm |
| 防护等级 | IP Class | IP65 |