特点与用途/Features & Applications
压扭复合力传感器,可同时测量静态扭矩与拉压力
采用电阻应变式原理,精度高,互扰误差小,长期稳定性强
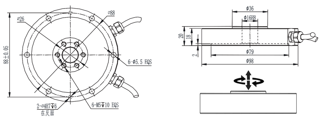
结构紧凑,高度低,双法兰式设计,易于安装
经过高低温补偿,温度特性好
产品应用:应用于汽车压装、自动化组装、3C产品测试、新能源产品组装、医疗检测、机器人装配、
研磨和抛光、模具组装及其他工业测试、测量及控制系统
安装尺寸/Mounting Dimension

参数/Specifications 技术指标/Technique
| 额定容量 | Capacity | F:20/30/50/100/200/500/1000/2000N M:1/2/3/5/10/20/30/50N.m |
| 输出灵敏度 | Rated output | ~1.0mV/V |
| 互扰误差 | Interference error | ≤2%F.S. |
| 非线性 | Non-linearity | 0.5%F.S. |
| 滞后 | Hysteresis | 0.5%F.S. |
| 重复性 | Repeatability | 0.5%F.S. |
| 蠕变(30min) | Creep(30min) | 0.2%F.S. |
| 温度灵敏度漂移 | Temp.effect on output | 0.1%F.S./10℃ |
| 零点温度漂移 | Temp.effect on zero | 0.1%F.S./10℃ |
| 输入电阻 | Input impedance | ~1000Ω |
| 输出电阻 | Output impedance | ~1000Ω |
| 绝缘电阻 | Insulation | ≥5000MΩ/100VDC |
| 激励电压 | Recommended excitation | 5~12V |
| 最大激励电压 | Maximum excitation | 12V |
| 温度补偿范围 | Compensated temp range | -10~60℃ |
| 工作温度范围 | Operation temp range | -20~80℃ |
| 安全超载 | Safe overload | 150%F.S. |
| 极限超载 | Ultimate overload | 200%F.S. |
| 电缆线尺寸 | Cable size | φ3×4000mm |
| 防护等级 | IP Class | IP65 |