特点与用途/Features & Applications
平板式结构,高度低,便于安装
多种量程可定制,500N至1MN可测量范围
主要用于新能源电池膨胀力监测,机械压力测量
产品应用:大平面式的设计特点可用于各种轨道交通、钢铝材料轧制力、新能源电池膨胀力等测试应用;传感器有固定孔,安装简单便捷
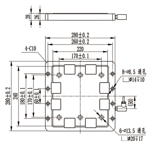
安装尺寸/Mounting Dimension

参数/Specifications 技术指标/Technique
| 额定容量 | Capacity | 10t |
| 输出灵敏度 | Rated output | 1.5±20%mV/V |
| 零点输出 | Zero balance | ±0.02mV/V |
| 非线性 | Non-linearity | 0.2%F.S. |
| 滞后 | Hysteresis | 0.2%F.S. |
| 重复性 | Repeatability | 0.1%F.S. |
| 蠕变(30min) | Creep(30min) | 0.2%F.S. |
| 温度灵敏度漂移 | Temp.effect on output | 0.1%F.S./10℃ |
| 零点温度漂移 | Temp.effect on zero | 0.1%F.S./10℃ |
| 输入电阻 | Input impedance | 780±20Ω |
| 输出电阻 | Output impedance | 700±20Ω |
| 绝缘电阻 | Insulation | ≥5000MΩ/100VDC |
| 激励电压 | Recommended excitation | 2~15V |
| 最大激励电压 | Maximum excitation | 15V |
| 温度补偿范围 | Compensated temp range | -10~60℃ |
| 工作温度范围 | Operation temp range | -20~80℃ |
| 安全超载 | Safe overload | 150%F.S. |
| 极限超载 | Ultimate overload | 300%F.S. |
| 电缆线尺寸 | Cable size | φ3×4000mm |
| 防护等级 | IP Class | IP67 |